Schmitronic
Réparations d'appareils électroniques vintage
Réparation d'un juke-box Seeburg M100A de 1948
Cette page décrit la restauration du modèle M100A peu connu et peu documenté, alors qu'il est révolutionnaire pour l'époque : dernière machine Seeburg en 78 tours convertible en 45 tours, 1er modèle à phonographe à lecture verticale qui fera le succès de Seeburg, mais pas encore avec la mémoire à tores. Un modèle de transition donc, rare et très intéressant. Et ne ratez pas le dernier chapitre !
Lors d'un salon, le jeune propriétaire de 3 anciennes machines Seeburg M100A de 1948, héritées de son grand-père et de son père, me demande de restaurer une des machines. N'ayant pas trop de place pour prendre toute la machine, je commence par l'ampli ... réputé "fumer" à l'allumage ! Le reste de la machine semblerait être fonctionnel ... Vu l'âge et la durée de l'abandon, ainsi que mon expérience, j'ai de sérieux doutes. Avant d'accepter le projet, je demande des photos et celle ci-dessous est tellement belle qu'elle me convainc d'accepter la restauration, car je ne peux pas laisser une aussi belle machine rester non fonctionnelle !

Le propriétaire et moi avons quelques difficultés à identifier précisément la machine. D'abord parce que la face avant avait été abimée et démontée par le propriétaire original et une nouvelle très belle façade a été réalisée par le propriétaire actuel avec des pièces d'un autre modèle. Ensuite la plaque d'identification de la machine a disparu et celle de l'ampli est illisible.
Il faut savoir que le modèle M100 existe en variante A (1948-1950) et B (1950-1951) :
https://www.jukebox-world.de/Forum/Archiv/Seeburg/SeeburgM100A.htm
https://www.jukebox-world.de/Forum/Archiv/Seeburg/SeeburgM100B.htm
Extrait traduit de la note en allemand (mais le M100A n'est pas équipé de tores magnétiques et la dernière phrase n'est pas claire car elle est contradictoire) :
Historiquement, le M100A est un modèle important. Seeburg a certainement causé des problèmes à Wurlitzer et aux autres grands fabricants américains avec son nouveau mécanisme de lecture, gagnant ou sécurisant des parts de marché. La lecture en douceur de 50 disques en gomme-laque 78 tours – 10" et 12" – des deux côtés grâce à un système magnétique était une performance imbattable. Aujourd'hui, le M100A trouve peu d'adeptes en Europe, bien qu'il soit très intéressant comme meuble pour disques 78 tours. Cependant, comme il était souvent converti pour lire des disques 45 tours et que sa reconstruction est très difficile, ces conversions 45 tours sont rarement adoptées.
Donc la version A était pour jouer les 2 tailles de 78 tours 12" et 10", le voici en action chez un américain.
La version B est quasi identique en terme de caisse, ampli et contrôleur mais joue des 45 tours de 7" et c'est le 1er modèle natif en 45 tours chez Seeburg.
Sur base des photos reçues, la plaque du contrôleur indique WSLR3-L6, mais il est identique dans les modèles A et B ! Il reste la plaque d'identification du phonographe qui indique 100S2-L6. Aha, c'est donc un M100A ! Car le M100B a un phonographe différent : 145S2-L6. Cette machine 78 tours a donc été convertie en 45 tours, ce qui n'était pas courant et sans doute coûteux. on voit aussi sur les photos que le panier à disques est très haut, donc c'est encore celui des 78 tours, seul le phonographe a été modifié ou remplacé. Très intéressant. Comme la documentation sur internet concerne le M100B et que je n'ai étonnement rien trouvé sur le M100A, je commande le manuel complet. Les petits extraits schémas publiés sur cette page sont donc inédits !

Et donc cette machine est bien le modèle A pour les 2 diamètres de 78 tours mais qui a été convertie pour accepter des 45 tours.
L'ampli
Comme expliqué je n'ai pas beaucoup de place à l'atelier en ce moment, je préfère m'occuper de l'ampli seul dans un 1er temps. Je demande au propriétaire d'amener également le haut-parleur car ces vieux amplis à tubes utilisent une technique très intelligente et économique :
- d'une part, pour économiser le coût d'un gros aimant permanent sur le haut-parleur, ils ont installé une bobine à la place (field coil). Il faut donc une source de courant continu pour alimenter cette bobine et créer le champ magnétique du haut-parleur. La 2ème bobine du HP (voice coil) est alimentée par la sortie de l'ampli comme d'habitude.
- d'autre part l'alimentation de l'ampli doit très bien filtrer la tension redressée par le tube diode et ils ont besoin de condensateurs et ... d'une bobine !
Du coup les ingénieurs de l'époque ont fait d'une pierre 2 coups : une bobine dans le HP réalise ces 2 fonctions ! Très malin. Mais la conséquence est qu'il me faut le haut-parleur également. Bizarrement, seuls 2 fils sur les 3 vers le haut-parleur sont connectés ! Donc le haut-parleur ne pouvait pas fonctionner !

Voici les diverses actions réalisées pour remettre l'ampli en route :
- Tester les tubes avec le testeur TV-7U prêté par un client : 2 OK, 5 faibles, 1 HS (court-circuit)
- Tester transfos
- Tester capas : pas OK
- Commander tube 6SN7GT
- Repérer et démonter câblage pot volume, redresser tôle, décrasser et vérifier pot volume
- Remonter câblage HP correctement
- Remonter pot volume avec câble et fiche temporaire
- Remplacer capa 5nF/1000V étage sortie car il est en mauvais état, c'est sans doute lui qui a fumé
- Remplacer 4 capas électro-chimiques
- Vérifier résistances
- Décrasser contacteurs



Après toutes les vérifications, j'alimente en douceur, après quelques secondes il y a pas mal de craquements et de ronflements, et à un moment tout s'est bien mis en place : il fonctionne ! Très bien en fait et sans bruit de fond. Voici une petite vidéo de l'appareil sur son lit d'hôpital après sa sortie du coma. La qualité sonore est "GSM", le son est meilleur en réalité ! On voit dans l'ordre : l'alim 110V, l'alim 6,3V, les connexions d'alimentation, la vérification des composants qui chauffent à la caméra thermique, les tubes qui rougeoient, les voltmètres avec les tensions d'alimentation, l'audio sur l'oscilloscope, le haut-parleur et l'ensemble.
Redémarrage de l'ampli
Je fais quelques calculs et réalise des mesures, il y a quelques surprises :
- en gros la majorité des tensions et courants sont en dessous des niveaux indiqués sur le plan. Serait-ce dû à âge des composants ? Je ne pense pas.
- plusieurs résistances de polarisation des tubes sont bien celles du schéma, mais d'autres résistances ont été mises en parallèle ou en série autour pour modifier la polarisation théorique initiale. Ces ajouts ne sont pas des bricolages, ils ont été fait en usine. Donc il s'agit d'un ajustement.
- le double tube driver + inverseur devrait être alimenté en 300V d'après le schéma mais en réalité il est alimenté en 200V. Encore une fois ce câblage est d'origine. Soit le schéma a une erreur, soit il y a eu une erreur de câblage, soit il y a eu une correction dont je n'ai pas (encore) trouvé la documentation.
- le courant de repos des 4 tubes de puissance devrait être de 35mA et je mesure 17mA, du coup ils chauffent beaucoup moins, mais ils ne sont pas au point de fonctionnement recommandé par le constructeur des tubes.
J'ai l'impression que Seeburg a fait un beau design d'un ampli puissant (4 x 6V6 = 35 W !) mais qu'ils l'ont bridé, bizarre. Pour moi l'ampli "sonne" bien et est déjà puissant, je suis curieux d'entendre le haut-parleur dans la caisse. En tous cas il est stable et net, je laisse tout comme cela.
Remise en route mécanisme
Maintenant que l'ampli fonctionne à l'établi, la machine peut venir à l'atelier. Le phonographe est bloqué en play. Il est vraiment différent de ceux que je connais, normal c'est la 1ère version pour laquelle Seeburg a pris 10 ans pour la mettre au point. Voir détails en fin de page. Je débloque le mécanisme manuellement en poussant la lamelle du relais de trip (le levier habituel n'existait pas encore), je lubrifie ce que je peux, le châssis du phonographe n'est pas encore sur 2 rails et n'est pas prévu pour être sorti de la machine. Je fais bouger le phonographe en faisant tourner la poupée disque à la main, mécaniquement l'ensemble fonctionne et essaie de passer de scan à play, mais bloque en montant le disque. A vue je vois que le bras de levée du disque n'est pas d'équerre par rapport au phonographe et au panier, bizarre. Il n'y a aucun réglage, je n'ai pas le choix, je dois tordre le bras pour le remettre bien perpendiculaire et garantir la montée fiable du disque. Heureusement le bras n'est pas encore constitué d'une lame ressort, donc ici c'est encore faisable.
J'inspecte le châssis contrôleur et découvre que le bloc accumulateur a pris un sacré coup sur la cafetière ! Les plaques de support sont littéralement pliées et le système de crédit ne fonctionne pas évidemment. Je redresse comme je peux ces plaques à la grosse pince, je décrasse et règle les divers contacts (beaucoup n'étaient pas bons) et finalement le module a l'air de refonctionner, ouf !

J'alimente prudemment la machine, elle tourne ! J'ai du crédit, je sélectionne, mais le phono ne trippe que sur très peu de sélections : 4-5 sur les 100. Et parfois le disque se met de travers dans le phonographe alors que le panier, le bras de levée et le phonographe sont bien alignés.
Alignement disque
Lors de la montée du disque parfois il se place mal et bloque tout, gros bazar ! Il y a intérêt à vite tout couper. En fait, en activant manuellement le phono, on peut se rendre compte que la rampe en V du phonographe sur laquelle roule le disque en sortant du panier n'est pas assez "en face" du panier. Le disque est poussé mais tombe à côté de la rampe ! Comme la position du phonographe est "fixée" par la crémaillère lors du déclenchement, il n'y a aucun réglage possible. J'ai essayé de déplacer latéralement le panier de disques, mais il est déjà en butée (et quelqu'un y a touché, car il manque des vis : il n'y en a plus que 6 au lieu de 8). J'ai essayé de le dépalcer sur l'autre butée, c'est pareil ! Dans tous les designs, d'usine la bonne position est au milieu de la plage de réglage. Or ici si je place le panier au milieu de la plage de réglage, la rampe est pile entre 2 emplacements de disques ! Bizarre.
Seule solution : déplacer latéralement la rampe en V par rapport à sa fixation sur le phono ! Il m'a fallu démonter une grosse pièce (délicat) pour accéder aux 2 vis de fixation de la rampe. Puis démontage : il y a la rampe, 2 vis, 2 rondelles de serrage, 2 rondelles plates et 2 bagues. Je rajoute 2 rondelles pour faire la surépaisseur de décalage. J'ai donc 11 pièces à tenir ensemble et à remonter, et cela dans un endroit difficile. Je serre la 1ère vis qui "prend" bien ... puis elle lâche d'un coup et paf tout m'explose dans les mains ! Jamais je n'ai eu un truc pareil ! Je recherche toutes les pièces, mais une bague a sauté dans le mécanisme ou ailleurs, je ne l'ai jamais retrouvée ...
J'essaie de comprendre ce qu'il s'est passé : cette vis n'a pas la même allure que l'autre, et je vois des copeaux métalliques dans le filet ... j'observe le filet creux dans le châssis du phono : il est double ! L'entrée du trou est plus large et un filet normal se trouve plus à l'intérieur ! Nondiju, j'ai compris : je cherche un écrou de 5 mm et bien sûr il va parfaitement sur ma vis ! Donc quelqu'un a forcé une vis M5 européenne dans un trou fileté en Impérial (UK/USA) ! Quelle horreur ! Et donc quand j'ai revissé dans ce faux-filet d'entrée, il a lâché évidemment, pfff ... Impossible de passer à travers pour faire un assemblage vis+écrou, impossible de tarauder en plus grand, car le taraud ne peut pas entrer et passer outre, peut-être coller un écrou, monter un support ... quelle misère.
Mais il me reste quelques mm de bon filet dans le fond. j'ai une boite de vis impériales, récupérées dans tous les fonds de caisse de machines, et je teste. Finalement après de très nombreux essais, j'en trouve une qui va ! Il faut dire qu'en Europe c'est simple, on a juste besoin du diamètre Mx. Aux USA, il faut spécifier le diamètre en fraction de pouces (exemple 17/32" !) mais aussi le pas du filet ! C'est un bazar ... Bref, j'ai dû fabriquer la bague manquante et remonter le tout. Et ça marche ! Je n'ai eu aucun raté depuis, ouf !

Lors d'une visite pour voir l'avancement de travaux, c'est le propriétaire qui a retrouvé la bague disparue ! A cette occasion nous avons remarqué que le disque tourne un peu décentré ce qui fait un peu varier le son. Je démonte la poupée, au passage je remarque que le joint de caoutchouc qui plaque le disque n'est pas d'origine mais a été découpé dans une chambre à air de pneu de voiture ! Quelle créativité, tant que ça marche, c'est bon. De toutes façons je ne suis pas reste non plus, je constate qu'il y a du jeu entre la pointe de la poupée qui s'aligne dans l'alésage du volant moteur, et j'ajoute 2 épaisseurs de gaine thermo rétractable autour de la pointe et hop le disque tourne rond !


Arrêt surprise
Parfois à la montée du disque, le phono s'arrête, je donne 1/4 de tour à la main et il repart. Non, ce n'est pas un blocage mécanique, on entendrait le moteur grogner ! C'est un contact qui à l'air de s'ouvrir trop tôt ou qui se ferme trop tard. Il y a des dizaines de contacts activés par les mouvements autour du phono et certains "entretiennent" le mouvement, donc s'enclenchent avant que le précédent ne s'arrête. S'ils sont mal réglés, un s'ouvre avant que l'autre ne se ferme et du coup le moteur s'arrête. Et donc si je poursuis le mouvement manuellement, le moteur redémarre quand j'arrive à la position mécanique qui enclenche le 2ème contact. Grâce aux excellentes aides au diagnostic du manuel, je l'ai trouvé, décrassé et réglé, et ça marche !

Les sélections
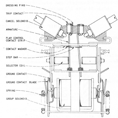
Bon j'avance, mais il reste un gros morceau : fiabiliser les sélections. De plus parfois le phonographe reprend le même disque une 2ème fois. Pour mémoriser la sélection et la faire jouer, à l'époque Seeburg n'avait pas encore inventé la barre Tormat constituée de mémoires à tores magnétiques. On se retrouve avec un sélecteur (Solenoïd Assembly) constitué d'une curieuse et complexe barre carrée bourrée de fils et de clichettes qui dépassent au sommet. Pour bien comprendre le principe de fonctionnement, il faut étudier le plan en coupe ci-dessous. Le bloc est entièrement symétrique, et le scan ne se fait que dans un sens.

Un petit traineau relié au phonographe (hachuré) vient balayer et tester ces clichettes (armature) lors du scan. Lors d'une sélection au clavier, par exemple E5, un circuit se ferme et active 2 bobines : une grosse en dessous (group solenoid) qui sélectionne électriquement un des 10 groupes, ici la lettre E, et la bobine 5 (selector coil) dans ce groupe. Cette 2ème bobine attire la clichette penchée vers l'intérieur et l'attire vers l'extérieur. Cette clichette déplace une petite pastille carrée (contact washer) qui va toucher un rail (play control contact strip) et établit un contact électrique qui va lancer le moteur du phonographe et ainsi démarrer le scan. Le traineau entrainé par le phonographe glisse au dessus des clichettes et "bute" sur la E5 activée, un contact se fait avec la pointe (trip contact) qui touche la clichette, le phonographe déclenche et démarre la lecture du disque. Une bobine sur le traineau (cancel solenoid) est activée pour repousser et replacer la clichette en mode passif. Et pour être sûr du bon reset une 2ème pointe (dressing pin) glisse le long de la clichette pour bien la replaquer vers l'intérieur.


En principe c'est un mécanisme très intelligent, en pratique, je pense que cela l'est moins. En tous cas après 75 ans, ce n'est plus du tout fiable, le tout est encrassé et oxydé. Ce mécanisme est aussi complexe, délicat et cher. En effet, il y a 100 petites bobines "chiffre" qui doivent être parfaitement alignées, 10 bobines de groupe et 2 bobines de cancel. Sans parler des chichettes, pastilles, ressorts, fils, pins, ...

En testant, je me rends compte que beaucoup de clichettes peinent à s'activer, et qu'une fois activée, le contact de démarrage via la pastille carrée ne se fait pas, le scan ne démarre pas. De plus le traineau ne détecte pas toujours la clichette, et le reset ne se fait pas toujours bien non plus ... Bref, je vais devoir démonter tout l'ensemble et cela s'annonce galère. J'ouvre le 1er groupe de 20 clichettes (2 rangées de 10) et comme prévu elles sautent dans tous les sens ! Quel système !


Et quelle oxydation ! Le démontage était obligatoire.



Après un très gros nettoyage et le passage de toutes les pièces au nettoyeur à ultra-sons, il a fallu trouver une manière simple et efficace pour remonter ce mikado.

Je constate que les clichettes dépassent d'un bon centimètre et demi de la plaquette de maintien, cela me laisse donc une marge en dessous pour maintenir les 20 clichettes en position, le temps de les aligner avant de plaquer le couvercle. Avec 2 rangées de 10 clichettes, je dois donc trouver 10 intercalaires pour les maintenir 2 par 2 et un long intercalaire entre les 2 rangées. Avec de longs clous maintenus en place par des cure-dents fichés dans le câblage, je peux en fait très facilement replacer et revisser la plaquette supérieure qui maintient l'ensemble ! Et il suffit ensuite de retirer en les glissant tous les clous et les cure-dents ! Ouf ... il fallait quand même avoir un peu d'imagination ... et être très très calme pour réussir ce coup là ! Je ne fais qu'un bloc par jour, car cela demande de la concentration, mais je n'ai jamais dû m'y reprendre à 2 fois. Je me demande comment ils faisaient lors du montage à l'usine.



J'ai terminé le bloc : tous les contacts sont francs, voir la vidéo ci-dessous. J'ai aussi testé toutes les bobines (cancel et write-in) et elles sont toutes Ok. Une bobine cancel bougeotte un peu mais elle fait bien le reset. J'ai remonté le bloc dans la machine, bien calé la position : allumage et ... rien ! Jusqu'à ce que je me rappelle que j'avais enlevé la fiche du phono ! Rebranchée et du coup ça allait mieux ! Le write-in à partir du clavier est très fiable, je n'ai pas testé toutes les combinaisons, mais celles que j'ai faites s'enregistrent parfaitement, de plus le moteur démarre à tous les coups et le reset des doigts se fait parfaitement, donc il ne joue plus les disques 2 fois.
Remise en route du sélecteur
Une sacrée opération de faite. Mais je soupçonne Seeburg d'avoir eu beaucoup de soucis avec ce design, d'où la mise au point de la barre Tormat bien plus intéressante et fiable.
Lampes "Disk in Play"
Bizarrement les lampes du disque joué n'indiquait pas le bon N°. J'ai dû rerégler le positionnement latéral pour être en face du bon N° de disque. Puis j'ai constaté que la face du disque n'était pas correcte, par exemple H1 allume H2 et H2 allume H1 ! Seule cause possible : les supports des lampes ont été inversés ! Je me demande depuis quand c'était comme ça ? Et personne ne l'avait jamais remarqué !?


Enfin, j'ai installé l'ampli, il a démarré sans surprise, il a de la puissance, de très bonnes basses et beaucoup d'aigües. Mais je les trouve criardes, cela fatigue vite les oreilles, mais on peut les atténuer avec le très bon correcteur de tonalité. Ce n'est pas de la hifi évidemment, mais pour 1949 c'est bluffant.
Démonstration de la machine
Système crédit
J'ai activé le free play en réalisant un pont électrique dans l'accumulateur de crédits. La bobine d'activation du clavier est donc active en permanence ... mais bruyante et elle chauffe. C'est vraiment gênant car cela empêche l'écoute confortable et cela inquiète, car on pense que c'est anormal (et ça l'est en fait). La bobine chauffe vite et risque de claquer un jour. Et elle est difficile à trouver et chère. Ce n'est pas un défaut, mais un usage anormal de la machine. Cette bobine doit être puissante car elle active le clavier (elle tire une grosse réglette sur ressort), mais elle n'est prévue que pour permettre l'action du clavier le temps de la sélection avec du crédit. Au repos le clavier est inutilisable et la bobine est coupée. Les clients mettaient une pièce, et obtenaient un ou plusieurs crédits, la bobine s'active, le client fait toutes ses sélections jusqu'à épuiser le crédit (personne ne met de crédit sans l'utiliser !) et puis s'en va et la bobine se coupe. Or ici en crédit gratuit la bobine est active en permanence ce qui n'a jamais été prévu.
Solutions possibles :
- Réactiver le monnayeur : mais vu l'âge, la complexité et le choc qu'il a eu, ça me semble difficile à réaliser
- Ajouter un bouton poussoir ou une contact magnétique Reed pour émuler la tombée d'une pièce
- Ajouter 2 contacts sous clavier pour activer la bobine dès qu'une touche lettre ou chiffre est enfoncée : compliqué à installer et à mettre au point
- Insérer un contact à bascule extérieur pour commander la bobine (fonction : crédit - pas crédit) : pas pratique, mais simple et efficace
J'ai ajusté le monnayeur pour accepter les pièces de 20 cents mais le contact est trop court pour activer l’accumulateur. Même remis pour accepter les pièces de 1FF il n'active pas l'accumulateur de crédits. Bizarre. Mais le contrôleur est encore posé à l'horizontale en fond de caisse, peut-être l'accumulateur réagira-t-il correctement une fois le châssis contrôleur remonté à la verticale sur le panneau arrière ?
Les monnayeurs peuvent accepter 3 types de pièces différentes, habituellement pour donner 1 crédit, 2 crédits, et la 3ème réglable entre 3 et 6 crédits. Ici 2 contacts me donnent toujours 1 crédits et le 3ème contact ... rien ! Je constate que 2 fils sur 3 vers les 3 bobines d'activation sont coupés !? Je les reconnecte, mais cette fois j'ai les 3 contacts qui ne donnent chaque fois que 1 crédit ! Bizarre. Il faudrait tout démonter pour vérifier le câblage et le bon état des 2 autres bobines. Peut-être sont-elles grillées et quelqu'un a tout recâblé sur la seule bobine encore fonctionnelle ?
La lampe "Sélectionner" ne s'allume pas, les ampoules sont OK, c'est la résistance de 100 ohms 5W qui est claquée, remplacée OK.
Voilà une bonne vieille machine qui revient de loin.
Pour le lecteur curieux, voici le précurseur : la bibliothèque musicale
A l'occasion de la restauration de ce 1er modèle Seeburg à phonographe à lecture verticale j'ai pu prendre connaissance de quelques informations intéressantes dans ce document de Seeburg. Il vante l'innovation qu'est le phonographe sur crémaillère avec rangement et lecture des disques verticalement, idée révolutionnaire qui a mis 10 ans à être mise au point (1939-1949).
Le document explique le dilemme de l'époque pour le futur : 78, 33 ou 45 tours ? Il est indiqué que si éventuellement le 45 tours avait du succès, la conversion pourrait se faire sur place en quelques minutes pour un coût faible. J'aimerais quand même bien savoir comment, car la vitesse de rotation est déterminée par 2 engrenages que je mets une journée entière à remplacer en déposant et en démontant totalement le mécanisme du phonographe et à l'atelier pas sur site ! Peut-être remplaçaient-ils le phonographe complet, voire le châssis dans son ensemble ?
Ce qui m'intrigue également dans ce document est qu'ils insistent auprès de leurs clients-exploitants sur le fait que cette nouvelle technologie est très fiable car elle a été testée pendant des années dans des racks de 200 disques dans des environnements industriels. De quoi parlent-ils ? Ce n'est pas clair dans le document, mais dans la liste chronologique de la production des modèles on trouve les modèles IC-S1 et SL-1 qui sont des ... bibliothèques à disques. Ces gros racks n'ont pas de clavier pour les sélections, mais un petit levier devant chaque disque qu'on positionne pour jouer une face, l'autre ou les 2. Tous les disques sélectionnés sont joué à la suite. Ces appareils étaient utilisés pour diffuser de la musique d'ambiance en continu : stations de radio, magasins, ... et à domicile. Il y avait même un timer de 24h pour le mettre en route et l'éteindre automatiquement ! En option, on pouvait y rajouter une radio. L'appareil est décliné en version industrielle (armoire en tôle) ou privée (beau meuble en bois).


Plusieurs sites sont dédiés à ces machines (avec explications, vidéos, manuels, ...) :
https://seeburgeds.jukeboxhistory.info
L'inventeur de ce principe "vertical" n'est pas un ingénieur de Seeburg mais M. Edward Andrews (lire CV ici), génial inventeur méconnu qui a pourtant été un ami de Einstein et a travaillé avec Laurens Hammond ! "He invented the automobile disc wheel, the landing gear on the Boeing 707, the pesticide fogger, the signal seeking radio (an outgrowth of his radar detection device) and the Seeburg Selectomatic phonograph which could store up to 200 records, to name just a few of his inventions."

On pouvait même "coller" plusieurs racks l'un à la suite de l'autre !

Des propriétaires de cette machine sont célèbres : entre-autres l'architecte-concepteur Frank Lloyd Wright et ... Frank Sinatra ! Voici l'histoire et la présentation de l'exemplaire du Crooner, en fonctionnement, à ne pas manquer ! Je rêverais de restaurer une de ces machines, mais je ne pense pas qu'il en ait été vendues beaucoup en Europe juste après la guerre, il y avait bien d'autres priorités ...
